杭州孚罗泰自控阀门制造有限公司
相关企业:杭州飞君气动液压有限公司
服务热线:
0571-85357938
13958055278

语言(language)
产品详情

大型船用液压遥控总泵站

产品详情


一、技术参数


油箱容积:150L/200L/250L(具体可根据客户实际的需求定制)

最大工作压力:170 bar

电压:380V/50Hz/3Ph440V/60Hz220V/60Hz可选)

功率:2.2KW/3KW/4KW

蓄能器:6.3L240L(具体容积可根据呵护实际的需求定制)

正常工作压力:135 bar

安全阀设置压力:180 bar

减压阀设置压力:135 bar



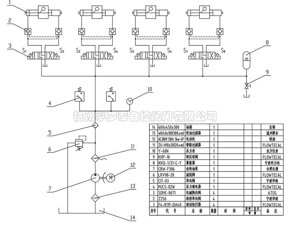
二、案例展示


1、外形图




大型阀门液动遥-2.jpg







2、液压原理图



大型阀门液动遥控-3.jpg








三、产品展示



大型船用阀门遥控2.jpg大型阀门液动遥控4.jpg



大型阀门液动遥控6.jpgIMG_20180205_153831.jpg






   大型船用液压遥控总泵站技术文件(点击下载)


0571-85357938
13958055278

地址:杭州市萧山区坎山开发区纵五路18号
邮箱:office@flowtell.net
电话:0571-85357938、88111895、13958055278
微信:13958055278
在线客服
 
 
 
 
 联系方式
客服热线:0571-85357938
邮箱:office@flowtell.net